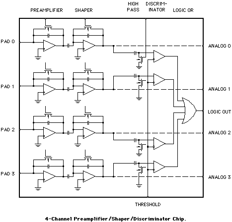
Pad Preamplifier

For the readout of the detector pads a dedicated amplifier/discriminator chip was developed. Basing on the CERN four-channel fast preamplifier/shaper chip 'Viking' it now includes four threshold discriminators and a logic OR of the four digital outputs.

Schematic of the Pad
Preamplifier/Discriminator Chip

Running in the H1 detector it however showed large feedback from the discriminator onto the sensitive inputs and week common mode supression resulting in extensive ringing.
A 1998 redesign thus will include a common mode subtraction circuit and improved analog/digital decoupling.

Schematic of the Pad
Preamplfier/Discriminator Chip with Common Mode Subtraction

This scheme has been set up by discrete electronics and proven to operate in a test beam 1997.

Back to the Shift Instructions.

To the BST site.


© by Hans Henschel, 14-sep-96, last revised: 08-sep-98